Sealing Modules
In the Project Environment dialog, in the Sealing Modules view you can manage objects that define a set of sealing modules that can be used for linked cable penetration.
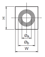
Each sealing module must define the following dimension attributes:
- MinDiameter (Øa)
- MaxDiameter (Øb)
- Width (W)
- Height (H)
- Priority [range 0-9]
Correct dimension attributes appear automatically when creating a new sealing module. One sealing module should include all the module sizes that the penetrations it will be linked to can use.

When routing a cable, the application finds all module sizes that can be used for the given cable diameter. Then, the module size is chosen based on module size priority. Priority must be in the range [0, 9] where 0 is the highest priority. If multiple modules have the same priority, then the module size with the smallest area is chosen.
For information on how to link the sealing modules to penetration equipment, see Cable penetrations.